تعلم الرسم الهندسي
الرسم الهندسيإنّ الرسم الهندسي يمثل مادةً تدريسية لطلاب السنة الأولى والثانية ضمن تخصصات الهندسة، ومادة تدريسية منهجية للطلاب الملتحقين ببرامج التدريب المهني
الرسم الهندسي
إنّ الرسم الهندسي يمثل مادةً تدريسية لطلاب السنة الأولى والثانية ضمن تخصصات الهندسة، ومادة تدريسية منهجية للطلاب الملتحقين ببرامج التدريب المهني في بعض مجالاته، وتهدف المادة إلى تزويد الطالب بالمبادئ الهندسية الأساسية للرسم، وتنمية قدرة الطالب على فهم طبيعة البعد الثالث، وإعطائه القدرة على تحليل الأشكال ثلاثية الأبعاد إلى مساقط ثنائية.
تعلّم الرسم الهندسي
- قبل بداية أي شخص بتعلّم مهارة ما وجب عليه الإتيان بأدواتها، وعادةً ما تكون هذه الخطوة الأولى لأي طالب، حيث يتم تعريفه بالأدوات الواجب إحضارها وأنواعها والهدف من كل أداة، وتشمل؛ المسطرة المترية، والمثلثات، وقلم الرصاص، والممحاة، وفرجار، وطبعات الرسم (الشبلونات) وبالتأكيد اللوحة المستخدمة للرسم.
- بعد ذكر أسماء الأدوات يتم تحديد نوعها ومهمتها؛ حيث تستخدم المسطرة المترية في تثبيت لوحة الرسم على المرسم بشكل أفقي، أما بالنسبة لأقلام الرصاص فيفضل استخدام درجات فاتحة، والممحاة كلما كانت مرنة كان ذلك أفضل للمثلثات؛ حيث يُفضّل استخدام مثلثات محفوفة الحافة ويفضل أغلب الطلاب استخدام نوعية روترينغ لمختلف الأدوات سواءً المثلثات أو الفرجار والشبلونات؛ وهي قطع من البلاستيك الخفيف تحتوي على أشكال أساسية يتكرر طلب رسمها باستمرار من الطالب، فباستخدامه للشبلونات يوفر الوقت والجهد.
- بعد إحضار الأدوات يبدأ الطالب بأخذ فكرة عن الأشكال الأساسية للرسم، فيطلب منه رسم عمليات هندسية مختلفة ولكنها بسيطة مثل رسم مستقيم موازي لمستقيم، وتقسيم مستقيم وإقامة عمود على مستقيم والعكس؛ أي إسقاط عمود وعمليّات أخرى عديدة مثل: رسم المضلع المنتظم والمخمس، وخطوط التماس الدائرة، وكما يقوم الطالب برسم أجزاء من القطع الميكانيكية المختلفة.
- يُطلب بعد ذلك من الطالب إضافة الأبعاد لرسوماته، وفي هذه المرحلة يتم تعريفه على أنواع الخطوط واستخداماتها، وقواعد كتابة الأبعاد، ومقياس الرسم. وباختلاف أنواع الخطوط تختلف الدلالات وبذلك نجد لكل دلالة خط يعكس المراد منه؛ فالخطوط العريضة تستخدم للأجزاء الأكثر ظهوراً من الرسم وهكذا فالخط الرفيع يستخدم للخطوط الأقل أهمية، ومن أهم قواعد كتابة الأبعاد أن يكتب العدد أعلى خط البعد عند قراءته من اليمين ومن الأسفل.
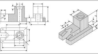
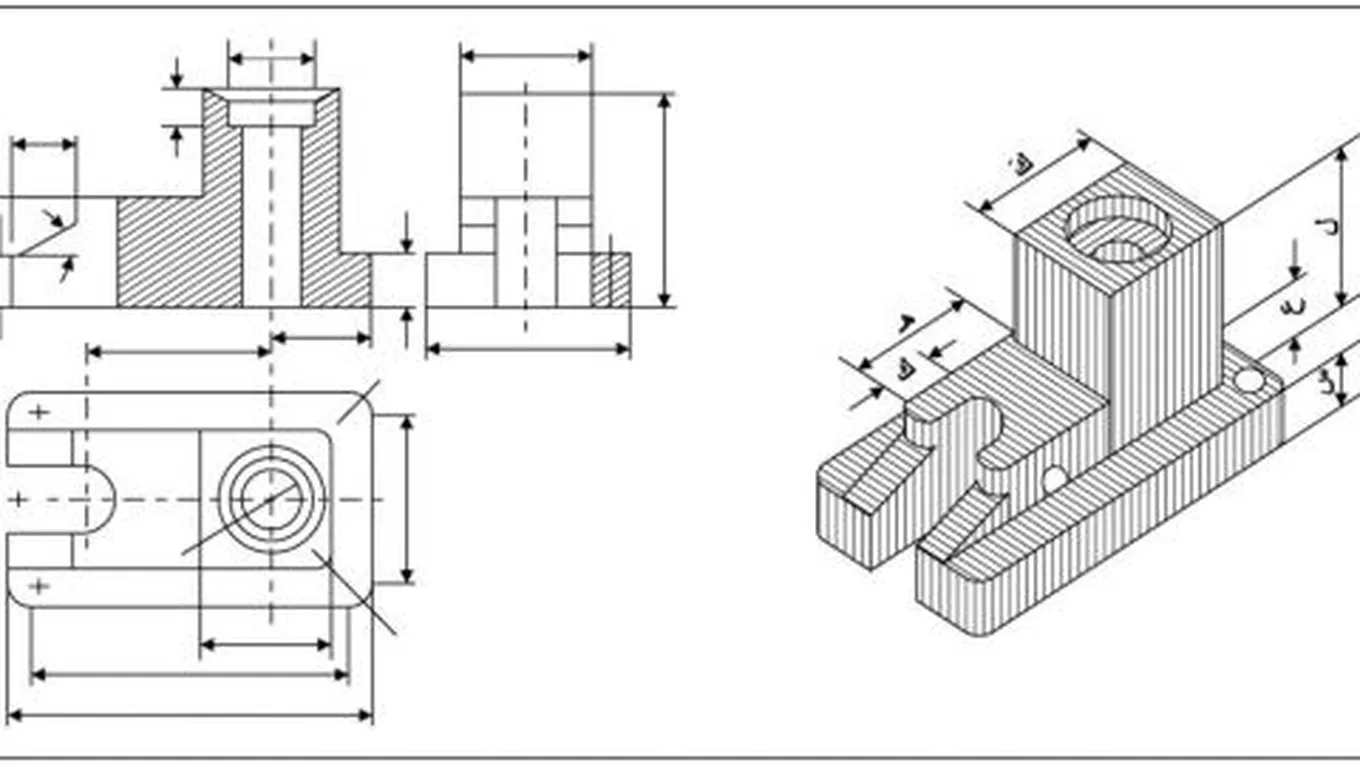
- يبدأ الطالب بتصور البعد الثالث للأجسام، إذ يتم بيان مسقطين للرسم، ويطلب من الطالب استنتاج المسقط الثالث، ويعتمد هذا الأمر في بدايته على قدرة الطالب على التخيل إلا أنه في نهاية الأمر يكون خاضعاً لقواعد يتم بناءً عليها استنتاج المسقط الثالث للرسم، وتعكس هذه المرحلة قدرة الطالب على تخيّل رسم ثلاثي الأبعاد ضمن لوحة ثنائية الأبعاد، باعتبار هذه اللوحة كوناً من فراغ.
- في نهاية الأمر يتم إعطاء الطالب فكرة مبسطة عن القطاعات الهندسية، وهنا يبدأ مشوار الطالب المعماري، ويتلخّص الأمر بشرح قواعد رسم القطاعات، ومعرفة كيفية رسم القطاع الكامل والنصفي والجزئي، والتعرف على أنواع القطاعات.
المقال السابق: ارتفاع في درجة حرارة الجسم
المقال التالي: كيف أكتشف الكذب
تعلم الرسم الهندسي: رأيكم يهمنا
0.0 / 5
0 تقييم
5
(0)
4
(0)
3
(0)
2
(0)
1
(0)
